
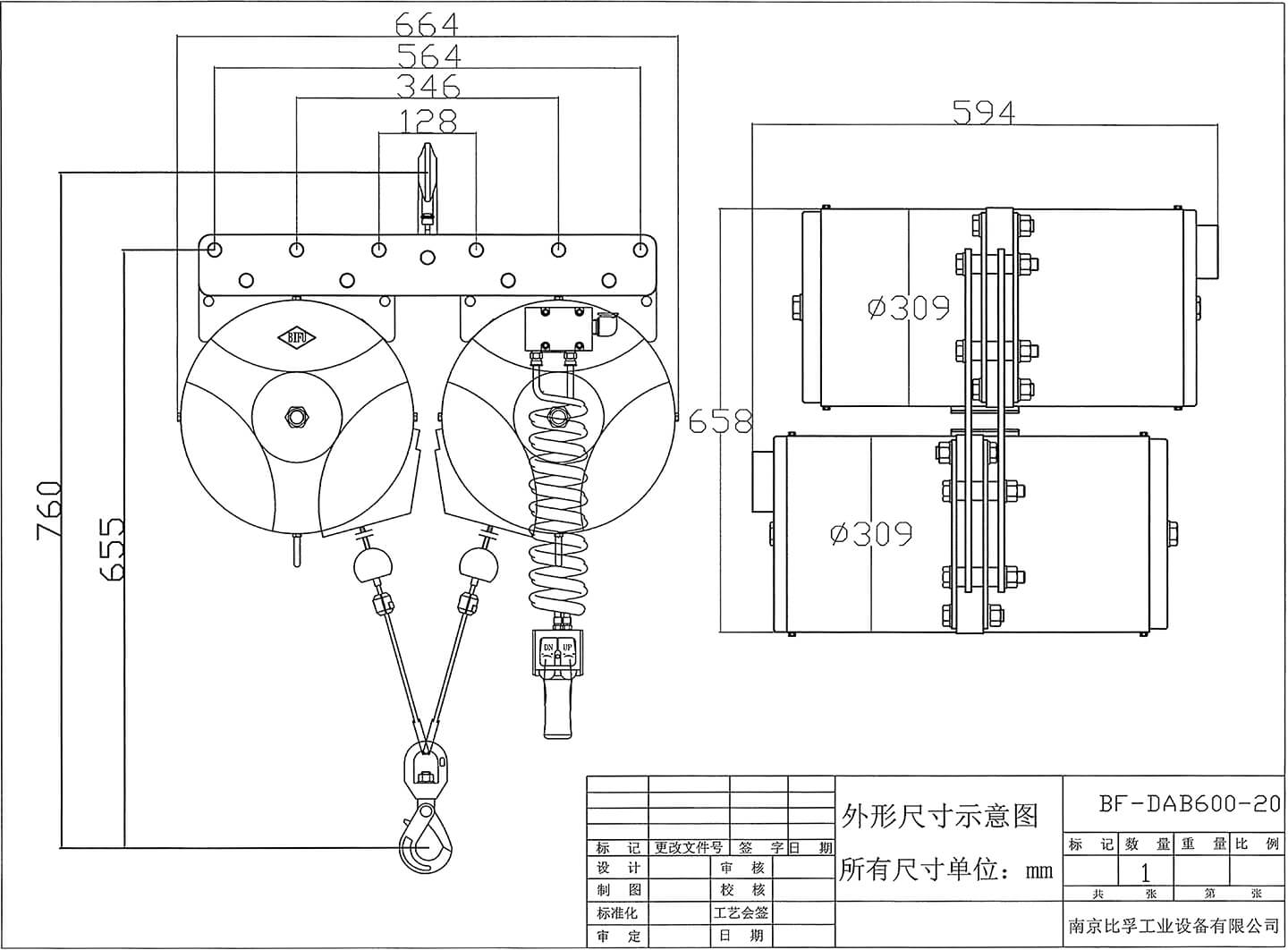
BF-DAB600-20
氣動平衡吊型號:BF-DAB600-20
BF:比孚公司首字母拼音縮寫
DAB:dual air balance雙拼氣動平衡吊首字母縮寫
600:起重量
20:提升高度
| 項目 | 性能指標 | 單位 |
| 型號 | BF-DAB600-20 | |
| 額定起重量 | 600 | kg |
| 標準提升高度 | 2.0 | m |
| 工作氣壓 | 0.7 | Mpa |
| 耗氣量 | 0.60 | m³/min |
| 外接氣管接頭 | G3/8 | in |
| 外接軟管尺寸(內徑/外徑) | 8/12 | mm |
| 缸體直徑 | 2-Ø309 | mm |
| 凈重 | 134 | Kg |
| 運行方式 | 氣動 | |
| 過載保護 | 有 | |
| 斷氣保護 | 有 |

新能源動力設備,人機工程學裝卸系統
氣動平衡吊(氣動平衡器)
氣動平衡吊定義:
氣動平衡吊是一種氣動助力搬運設備,它以壓縮空氣作為動力源,通過傳動機構,平衡物體自身重力和氣缸內壓力來實現重物的提升運動和下降運動。
氣動平衡吊的優點與特性:
★具有較快的上升,下降速度,通常是電動葫蘆2-6倍速度
★具有精確、無應力定位-浮動模式使雙手自由地提升、下降或移動負載,幾乎沒有任何阻力。不再有葫蘆定位控制不精確的問題,實現助力裝配等工作。
★具有極高的工作制,連續負載運行,免維護。
★采用壓縮空氣為動力,無火花運行安全可靠。
★依靠絲杠傳動,上升和下降平滑無抖動,并且可以無極變速
★安全——①具有斷氣保護功能,即便突然切斷氣源,重物也不會墜落。
②具有過載保護功能,無法提起超過額定負載的重量。
★節能——①極低的耗氣量,平均每個工作循環耗氣量約為0.18-0.30m³/min。
②清潔無油運行,僅在內部預加注潤滑即可長久使用。
③體積小,無噪音。
氣動平衡吊標準額定工作氣壓是0.7Mpa(100psi)。